
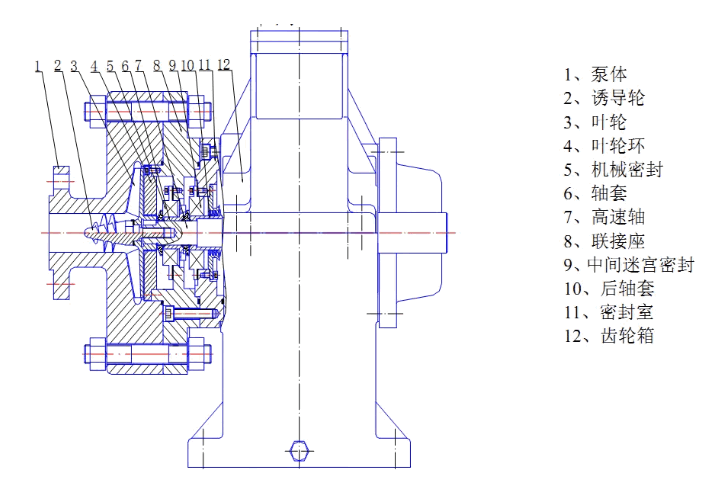
本系列泵为单级、单吸、悬臂、齿轮箱增速、卧式结构的高速离心泵。主要由过流部件、机械密封、增速箱、润滑系统、电机等组成。电机与齿轮箱低速轴采用膜片联轴器连接,泵的旋转旋转方向,从泵的进口方向看泵的高速轴为逆时针旋转,低速轴为逆时针旋转。
1、泵的过流部分,主要由叶轮泵体等组成
1)叶轮:采用径向直叶式开式叶轮;
2)采用与叶轮相匹配的环形流道。
2、机械密封
本泵机械密封采用单端面或者双端面、小弹簧平衡型机封。
3、卧式高速离心泵的拆卸:
①拆卸对轮护罩及联轴器;
②拆卸附属管路,做好标记;
③拆卸泵地脚螺栓及泵壳螺栓;
④将泵撬出,抬至地面;
1)拆卸诱导轮及叶轮摆放好;
2)做好标记,松开内六角螺栓,拆卸叶轮后部端盖;
3)拆卸机械密封,松开螺栓取下压盖、动环及轴套定置摆放;
4)拆卸齿轮箱中分面紧固螺栓及油封盖螺栓,取出定位销;
5)敲打上盖使其松动,将其抬下放好;
6)水平提出高速轴及低速轴,清洗干净摆放;
7)用拉拔器拉出靠背轮;
4、零部件的检查:
①检查轴承磨损情况,看滚动体有无麻点,跑道有无损伤、轴承间隙不超3um;
②根据运行时状况决定是否更换轴承;
③检查齿轮磨损情况,看是否有裂纹,麻点等;齿轮的接触面积,沿齿高不小于40%,沿齿宽不小于55%,并均匀的分布在节圆线周围,齿轮啮合侧间隙为0.08~0.10mm;
④油封为迷宫式油封,检查挡油环顶丝是否灵活好用,油封无老化、裂纹;
⑤检查机械密封,进行研磨或者更换;
⑥检查叶轮冲蚀磨损情况,测量叶轮口环间隙,应在0.4-0.6mm范围内,达到1.2mm则更换;
⑦将齿轮箱及各部件清洗干净,检查齿轮箱中分面及各油封密封面是否有高点;
⑧检查蜗壳磨损冲蚀情况,看蜗壳垫片是否需要更换;
5、组装:
⑨各部件清洗干净后开始安装,将两轴装上,盘车检查;
⑩将中分面涂抹薄薄的一层密封胶,装上盖,轻轻将定位销敲入销孔。
(来源:化工设备与机械)











